- 1.9 Рейтинг
- 62050 Просмотров
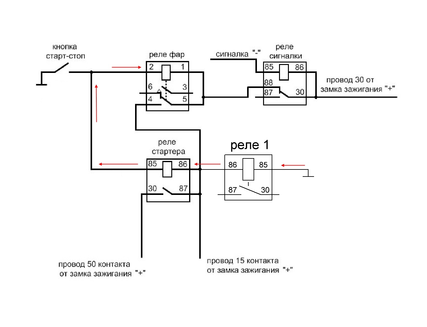
Делаем кнопку старт-стоп своими руками
Автор; Мишка Мартынюк, 23 года
Сегодня поставил кнопку запуска двигателя. Схему пришлось немного доработать.
Предварительно собрав схему дома, обнаружил ошибку в работе, которую устранил установкой диода в цепь питания реле стартера. Теперь схема работает как часы. Так же установил дополнительно 5-и контактное реле для сигналки, которое обрывает питание всей схемы при вкл. сигнализации. Кнопку установил под переключателем поворотников, т.к. там уже была дырка от выключателя электробензонасоса. Хотел поставить кнопку вместо замка зажигания, но извлечь его не получилось( да и холодно на морозе ковыряться









Теги