Меню
Новые сообщения · Участники · Правила форума · Поиск · RSS
  • Страница 1 из 1
  • 1
Модератор форума: Djanumov_21, электрик, grabovski, Андреи  
схема на приборы 21213
Гость
Группа: Гости
 
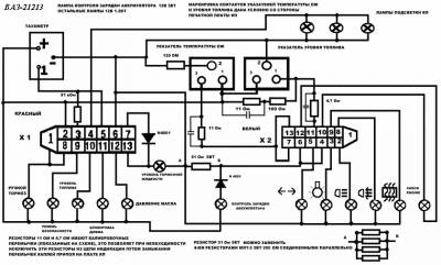
Народ, беда у меня....Клиент уюзал приборку у НИВЫ 21213...... Я с ней раньше дела не имел... Сунулся в сеть, а там схемы нет..... Или всякую хрень антивирь засекает... Помогите люди добрые!!!! Нужна схема на приборную доску...
vecher58
Полковник
Группа: Пользователи
Сообщений: 214
Репутация: 4
Статус: Оффлайн
 
Посмотри на главной странице сайта, та полностью схема есть, цветная.
Сообщение отредактировал vecher58 - Суббота, 01.06.2013, 07:42
Гость
Группа: Гости
 
У меня хорошая схема самой проводки машины есть... Мне нужна схема самой панели приборов!!!!
Otcher
Сержант
Группа: Пользователи
Сообщений: 36
Репутация: 2
Статус: Оффлайн
 
Такая приборка?

  
Сообщение отредактировал Otcher - Суббота, 01.06.2013, 17:27
Прикрепления: 4870377.gif (27.5 Kb) · 4999249.jpg (116.4 Kb)
Гость
Группа: Гости
 
О!!!! Вот она!!!!! Большое спасибо!!!!
  • Страница 1 из 1
  • 1
Поиск: