Меню
АВТОЭЛЕКТРИК
Сайт для любителей и профессионалов
Пожалуйста, представьтесь!
Зарегистрируйтесь
или авторизируйтесь, для получения возможности добавления материалов.
Регистрация
Забыл пароль
запомнить
Личный кабинет
Вход и регистрация
Войти
Регистрация
Главная
Статьи
Форум
Блог
Новые сообщения
·
Участники
·
Правила форума
·
Поиск
·
RSS
Страница
1
из
1
1
Модератор форума:
электрик
,
grabovski
,
Андреи
Форум Автоэлектриков
»
СХЕМЫ
»
Есть схема...
»
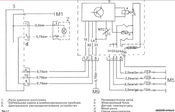
Mercedes Sprinter Схема Реле свечей накала
Mercedes Sprinter Схема Реле свечей накала
Андреи
Гуру-практик.
Группа: Модераторы
Сообщений:
3407
Репутация:
59
Статус:
Оффлайн
Сообщение #
1
20:57
04.11.2016
Столкнулся сегодня,долго ипался может кому пригодится
А так же ссылка что стоит почитать
ВОТ ОНО
Прикрепления:
4613799.png
(2.20 Mb)
·
9406367.png
(2.61 Mb)
Андреи
Гуру-практик.
Группа: Модераторы
Сообщений:
3407
Репутация:
59
Статус:
Оффлайн
Сообщение #
2
05:39
05.11.2016
Вот еще
Прикрепления:
2104526.png
(1.59 Mb)
·
3078373.png
(1.41 Mb)
Форум Автоэлектриков
»
СХЕМЫ
»
Есть схема...
»
Mercedes Sprinter Схема Реле свечей накала
Страница
1
из
1
1
Главная страница форума
ЭЛЕКТРИКА АВТО
ПРОШУ ПОМОЧЬ
АВТОЭЛЕКТРИКА
ВЕТКА ДЛЯ АВТОЭЛЕКТРИКОВ
ПАРКТРОНИКИ
ЦЕНТРАЛЬНЫЙ ЗАМОК
ОДОМЕТРЫ И СПИДОМЕТРЫ
СИГНАЛИЗАЦИИ
СТАРТЕРЫ И ГЕНЕРАТОРЫ
ПРОСТО КУРИЛКА
ОБСУЖДЕНИЕ СТАТЕЙ САЙТА АВТОЭЛЕКТРИК
ДОБРЫЕ СОВЕТЫ
АВТОРСКИЕ СТАТЬИ и МАТЕРИАЛЫ
СХЕМЫ
НУЖНА СХЕМА
Есть схема...
РАСПИНОВКА
Другое
РАСПИНОВКА АВТОМАГНИТОЛ
РАСПИНОВКА РАЗЪЕМОВ
ВОПРОС СПЕЦИАЛИСТУ
ВОПРОС СПЕЦИАЛИСТУ
РАЗНОЕ
ЕСЛИ НЕ ЗНАЕТЕ КУДА ДОБАВИТЬ, ТО ДОБАВЛЯЕМ СЮДА
КАК ДОБАВЛЯТЬ ФОТО, СХЕМЫ И МАТЕРИАЛ НА ФОРУМ...
Поиск: