| Помогите найти электрическую схему на мерседес | 
|  | 
| 
 
 
 
 
 
 Сообщение # 1
 14:16
 20.01.2014
  
 Помогите найти электрическую схему на мерседес 124двиг, 111.960, объем 2.2.
 
 
 
  | 
| 
 
 089
 
 Генерал-лейтенант Группа: Пользователи Сообщений: 553 Статус: Оффлайн 
 
 
 
 Сообщение # 2
 17:07
 20.01.2014
  
 Схему чего Вам нужно конкретно, причина поиска.
 
 
 
  | 
| 
 
 
 
 
 
 Сообщение # 3
 12:32
 21.01.2014
  
 Схема на мерседес 124, 111.960, объем 2.2. Нужна на моторный отсек и на панель приборов.Добавлено (21.01.2014, 12:32)---------------------------------------------
 Схема на мерседес 124, 111.960, объем 2.2. Нужна на моторный отсек и на панель приборов. Замена эл.проводки
 | 
| 
 
 089
 
 Генерал-лейтенант Группа: Пользователи Сообщений: 553 Статус: Оффлайн 
 
 
 
 Сообщение # 4
 16:43
 21.01.2014
  
 В личку почту.
 
 
 
  | 
| 
 
 
 
 
 
 Сообщение # 5
 09:34
 22.01.2014
  
 Хочу уточнить:(В личку почту), нужен адрес эл.почты?
 
 
 
  | 
| 
 
 089
 
 Генерал-лейтенант Группа: Пользователи Сообщений: 553 Статус: Оффлайн 
 
 
 
 Сообщение # 6
 18:38
 22.01.2014
  
 Да, если нужна ещё схема.
 
 
 
  | 
| 
 
 Александргеоргий
 
 Рядовой Группа: Пользователи Сообщений: 1 Статус: Оффлайн 
 
 
 
 Сообщение # 7
 17:30
 23.01.2014
  
 Схема нужна. Мой эл/я anid-53собакамейл.ру
 
 
 Alexandr
 | 
| 
 
 
 
 
 
 Сообщение # 8
 01:53
 05.04.2014
  
 привет всем подскажите пожалуйста у меня мерседес 124 кузов дв 102 у меня токая проблема приборы и все остальное в салоне работает но освещение в приборах и на баре нету предохранители целыДобавлено (05.04.2014, 01:53)---------------------------------------------
 и еще токая проблема я включаю печку с лева слаба дает тепло а в середине и с права бешанно гоняет холод а магниты в моторном отсеке теплые как устранит
 
 | 
| 
 
 ibo
 
 
 Рядовой Группа: Пользователи Сообщений: 2 Статус: Оффлайн 
 
 
 
 Сообщение # 9
 18:00
 05.04.2014
  
 мой эмел abduraksmanov  собака mail  ru
 
 
 
  | 
| 
 
 Батыр
 
 Рядовой Группа: Пользователи Сообщений: 2 Статус: Оффлайн 
 
 
 
 Сообщение # 10
 15:19
 02.06.2015
  
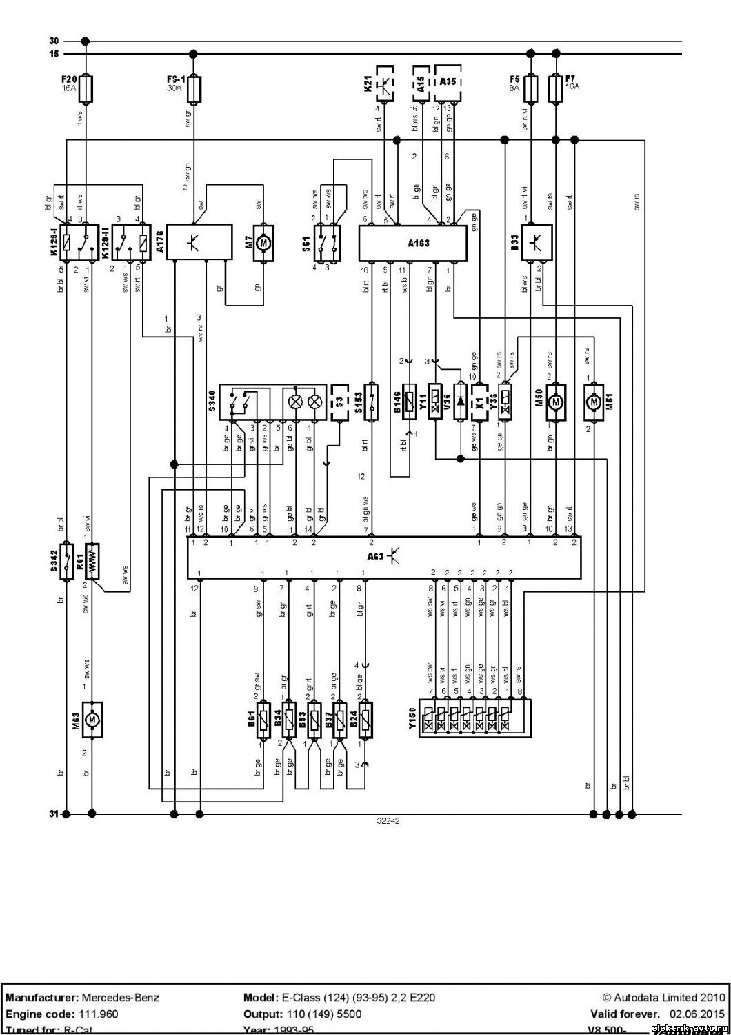
 Приветствую коллеги! не могу найти эл схему кондиционера мерседес 124 2.2 объем, помогите пожалуйста!
 
 
 batur
 | 
| 
 
 sergelectrik
 
 Лейтенант Группа: Пользователи Сообщений: 56 Статус: Оффлайн 
 
 
 
 Сообщение # 11
 19:03
 02.06.2015
  
 Пускай модераторы сайта добавят возможность добавлять файлы в pdf !
 
 
 
  | 
| 
 
 sergelectrik
 
 Лейтенант Группа: Пользователи Сообщений: 56 Статус: Оффлайн 
 
 
 
 Сообщение # 12
 21:12
 02.06.2015
  | 
| 
 
 Klim
 
 Рядовой Группа: Пользователи Сообщений: 5 Статус: Оффлайн 
 
 
 
 Сообщение # 13
 05:18
 23.06.2015
  
 Тоже с мерседесом связан вопрос- решил лишнюю тему не плодить. MB slk 230, r170(это кузов), механика, 99-й год. Есть подготовка под круиз-контроль. Купил переключатель круиза. с фишкой, т.е. и папа и мама с 8-ю проводами есть. А вот куда какой провод подключать- не могу найти информацию. Подскажете?
 Спасибо.
 | 
| 
 
 Fire
 
 
 Генералиссимус Группа: Пользователи Сообщений: 1706 Статус: Оффлайн 
 
 
 
 Сообщение # 14
 23:50
 23.06.2015
  
  Лучше искать тех, кто делал . Сообщение отредактировал Fire - Вторник, 23.06.2015, 23:51 Ярославль. Ремонтирую лично.
 | 
| 
 
 Klim
 
 Рядовой Группа: Пользователи Сообщений: 5 Статус: Оффлайн 
 
 
 
 Сообщение # 15
 00:09
 24.06.2015
  
 Спасибо. Пока сам. Я правильно понимаю- мне нужно на дросселе найти провода указанного цвета, на педали и на блоке управления? Упоминания о замке зажигания я там не заметил. И об датчике на педали сцепления тоже. Я думал- она как то тоже завязана...
 |