| Вентиляторы охлаждения | 
|  | 
| 
 
 MikhailKuz
 
 Рядовой Группа: Пользователи Сообщений: 1 Статус: Оффлайн 
 
 
 
 Сообщение # 1
 13:22
 31.10.2014
  
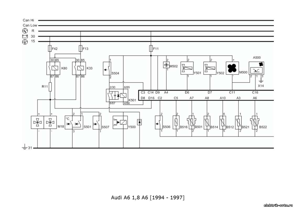
 AUDI A6 45, 1.8 ADR Климат. Крутят вентиляторы при включении зажигания, датчики диагностируются как ОК, реле не залипли (K80 K33). Подскажите что за блоки S501 и S507 и где расположены. Схему прилагаю.  Сообщение отредактировал MikhailKuz - Пятница, 31.10.2014, 13:33 | 
| 
 
 djoni-08041991
 
 Сержант Группа: Пользователи Сообщений: 30 Статус: Оффлайн 
 
 
 
 Сообщение # 2
 18:10
 31.10.2014
  
 Судя по схеме - это 2 датчика температуры. который S501 - включает малые обороты вентиляторов. А S507 - большие. Обрати внимание какие обороты включаются (большие или малые) и исходя из этого пробуй отключить соответствующий датчик. Ели отключишь и вентиляторы остановятся - меняй датчик. Если нет, копай ближе к реле, возможно что провод от датчика который управляет обмоткой реле сидит где-то на массе.   | 
| 
 
 Fire
 
 
 Генералиссимус Группа: Пользователи Сообщений: 1706 Статус: Оффлайн 
 
 
 
 Сообщение # 3
 20:15
 31.10.2014
  
 Проверьте датчик температуры. Если ЭБУ увидит обрыв датчика ОЖ он включит венты.
 
 
 Ярославль. Ремонтирую лично.
 | 
| 
 
 aleksjud
 
 
 Ушел,но обещал вернутся. Группа: Друзья Сообщений: 2051 Статус: Оффлайн 
 
 
 
 Сообщение # 4
 23:13
 05.11.2014
  
 MikhailKuz, у меня была такая проблемка вроде на митсубе какой то но там был неисправен датчик давления кондиционера снего фишку снял и все прошло. клиент уехал.дальше не знаю что он делал с ней
 
 
 я ушел. кому если буду нужен пишите на почту. адресс есть.
 |