|
подскажите очень срочно
|
|
GDANOVSKIY
Полковник
Группа: Пользователи
Сообщений: 192
Статус: Оффлайн
Сообщение # 1
20:19
15.08.2012
ребят привет всем!помогите пожалуста очень срочно ,пассат б4 1994года объем 2 литра,заглох на ходу,искра в норме бензин есть,ремень грм в норме,на холодную заводится как обычно все нормально работает,при прогреве до температуры 90-100 авто глохнет и не заводится,остынет опять работает,катушка в норме ,бензонасос в норме,но когда глохнет то реле бензонасоса работает постоянно пока машина не остынет,пробовал вместо реле ставить перемычку,такая же хрень греется глохнет,в чем может быть причина? может форсунки борохлят???
КАЖДЫЙ ДОЛЖЕН ЗАНИМАТЬСЯ ТЕМ,ЧЕМ ДОЛЖЕН!
|
odshelnik
Сержант
Группа: Пользователи
Сообщений: 39
Статус: Оффлайн
Сообщение # 2
20:34
15.08.2012
термостат одкриваэтся????
|
электрик
Генерал-полковник
Группа: Пользователи
Сообщений: 800
Статус: Оффлайн
Сообщение # 3
21:03
15.08.2012
GDANOVSKIY, может катушка - перегрев(и на горячую искра есть?)
|
GDANOVSKIY
Полковник
Группа: Пользователи
Сообщений: 192
Статус: Оффлайн
Сообщение # 4
21:08
15.08.2012
на горячую тоже искра есть,меня смущает тот факт что когда машина глохнет то бензонасос при включении зажигания начинает работать постоянно,вопрос откудова там берется постоянный плюс??????немного постоит и реле работает норм.а нагреется и опять работает постоянно но машина не заводитсяДобавлено (15.08.2012, 21:08) --------------------------------------------- причем тут термостат?????охлаждающию жидкость не выбрасывает,вентилятор срабатывает,
КАЖДЫЙ ДОЛЖЕН ЗАНИМАТЬСЯ ТЕМ,ЧЕМ ДОЛЖЕН!
|
электрик
Генерал-полковник
Группа: Пользователи
Сообщений: 800
Статус: Оффлайн
Сообщение # 5
21:19
15.08.2012
GDANOVSKIY, есть предположение на замок зажигания, напряжение в норме( не завышено),реле бензонасоса включает что-(+или-)проверь, проводку просмотреть(массы на двс)
|
089
Генерал-лейтенант
Группа: Пользователи
Сообщений: 553
Статус: Оффлайн
Сообщение # 6
21:22
15.08.2012
А давление на горячую какое?
|
GDANOVSKIY
Полковник
Группа: Пользователи
Сообщений: 192
Статус: Оффлайн
Сообщение # 7
21:24
15.08.2012
реле включает + на бензонасос,почему замок зажигания?ощущение такое что бензина ей на горячую становится мало,как замок проверить?Добавлено (15.08.2012, 21:24) --------------------------------------------- давление такое же как и на холодную,просто реле не отключает бензонасос после того как она глохнет и не заводится
КАЖДЫЙ ДОЛЖЕН ЗАНИМАТЬСЯ ТЕМ,ЧЕМ ДОЛЖЕН!
|
электрик
Генерал-полковник
Группа: Пользователи
Сообщений: 800
Статус: Оффлайн
Сообщение # 8
22:15
15.08.2012
GDANOVSKIY, (+или-) управление на обмотку реле бензонасоса, контроллёр какой (с него управление)
|
GDANOVSKIY
Полковник
Группа: Пользователи
Сообщений: 192
Статус: Оффлайн
Сообщение # 9
22:39
15.08.2012
всмысле?????Добавлено (15.08.2012, 22:39) --------------------------------------------- если замок от контактной группы отсоединить,включить зажигание контактной группой (без замка) и завести стартером может получится???или контактную группу тоже заменить лутше?
КАЖДЫЙ ДОЛЖЕН ЗАНИМАТЬСЯ ТЕМ,ЧЕМ ДОЛЖЕН!
|
grabovski
офигительный
Группа: Модераторы
Сообщений: 927
Статус: Оффлайн
Сообщение # 10
09:49
16.08.2012
прочитай ошибки скорее всего зависает эбу. и когда заглохнет проверь импульсы на форсунки.и если есть комутатор попробуй поменять
Сообщение отредактировал grabovski - Четверг, 16.08.2012, 09:51
если чтото зделать то чтото и получится!!!
|
электрик
Генерал-полковник
Группа: Пользователи
Сообщений: 800
Статус: Оффлайн
Сообщение # 11
14:47
16.08.2012
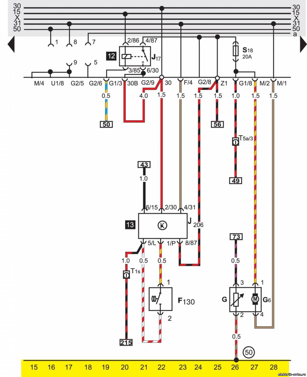
GDANOVSKIY, вот схемка на бензонасос, тут видно выкл. зажигание и реле откл. насос.
|
burov-vyazma
Полковник
Группа: Пользователи
Сообщений: 203
Статус: Оффлайн
Сообщение # 12
16:03
16.08.2012
Посмотри свечи на предмет антифриза:бывает,прокладку под головкой пробьёт,и такая ерунда происходит.Я на МОСКВИЧЕ долго искал причину(симптомы такие же),а потом на свечах тосол нащёл.УДАЧИ!
Не ошибается тот,кто ничего не делает!
|
GDANOVSKIY
Полковник
Группа: Пользователи
Сообщений: 192
Статус: Оффлайн
Сообщение # 13
20:41
16.08.2012
GRABOVSKI я нашол причину,ты верно думал это были мозги,на холодную заводится и работает отлично,нагревается и глохнет,искра при этом в норме,а при включении зажигания бензонасос кочает постоянно,остынет и бензонасос работает как надо,всем спасибо за участие!
КАЖДЫЙ ДОЛЖЕН ЗАНИМАТЬСЯ ТЕМ,ЧЕМ ДОЛЖЕН!
|
электрик
Генерал-полковник
Группа: Пользователи
Сообщений: 800
Статус: Оффлайн
Сообщение # 14
21:34
16.08.2012
GDANOVSKIY, резюме ваше непонятно. Поясни???? Quote (GDANOVSKIY) включении зажигания бензонасос кочает постоянно,остынет и бензонасос работает как надо
|
GDANOVSKIY
Полковник
Группа: Пользователи
Сообщений: 192
Статус: Оффлайн
Сообщение # 15
21:04
18.08.2012
электрик,машина заглохла на ходу,и на горячую не завелась,остыла и завелась без проблем и работала идеально до тех пор пока не нагрелась до рабочий температуры,нагрелась и заглохла,на холодную реле бензонасоса при включении зажигания работает исправно т.е. накачивает и отключает бензонасос,а на горячую при включении зажигания реле бензонасос не отключает и работает постоянно пока авто не остынет!
КАЖДЫЙ ДОЛЖЕН ЗАНИМАТЬСЯ ТЕМ,ЧЕМ ДОЛЖЕН!
|