|
Проблема с ЦЗ. Опель Астра Ф
|
|
aleksjud
Ушел,но обещал вернутся.
Группа: Друзья
Сообщений: 2051
Статус: Оффлайн
Сообщение # 16
14:29
14.08.2016
mafia2226, я же писал надо прозвонить концевик. возьми лампочку самую маленькую один провод от неё посади на массу а другим потыкай на каждый из трех проводов. и что получиться. и еще вопрос вы пишите в активатору подходит 5 проводов. к штатному или уже отдельно установленый ?
я ушел. кому если буду нужен пишите на почту. адресс есть.
|
mafia2226
Рядовой
Группа: Пользователи
Сообщений: 15
Статус: Оффлайн
Сообщение # 17
17:33
14.08.2016
С концевиком всё понятно. Чёрный - минус, остальные управляющие. Ещё такой нюанс. Когда случилась поломка, открывалась только водительская дверь. ЦЗ заблокировал сервоприводы и не давал вручную потянуть вверх "пипки" в дверях. Сидели мёртво. Я снял блок ЦЗ и по фотографии, которую сверху прикреплял, подал на контакты 7 и 8 напряжения (уже не вспомню, куда +, а куда -). Сервоприводы сработали и двери открылись.Добавлено (14.08.2016, 17:33) ---------------------------------------------
Цитата aleksjud (  ) одов. к штатному или уже отдельно установленый ? ЦЗ штатный. Сейчас пойду проверю концевик, описанным способом.
Много чего не понимаю пока-что, но многое хочу знать.
|
Андреи
Гуру-практик.
Группа: Модераторы
Сообщений: 3407
Статус: Оффлайн
Сообщение # 18
18:24
14.08.2016
Это фишка с активатора вод. двери? А что с двери правого переднего пассажира Ц.З. не отрабатывает?Если не отрабатывает возможно проблема в том что микропереключатель вод двери залип,и не даёт нормально отрабатывать блоку Ц.З.,снять с него фишки и проверить опять с правой передней двери закрыть/открыть.
Давайте сначала в активатор входят красно/синий и красно белый провода?Блок Ц.З. вообще не щелкает при вращении ключа?
Ну вообще черный у опелей это не минус,минус кориченвый,сигнальный массы коричнево/белый,цепь зажигания черно/желтый.
|
mafia2226
Рядовой
Группа: Пользователи
Сообщений: 15
Статус: Оффлайн
Сообщение # 19
19:37
14.08.2016
На правой передней двери не работает замок (закис), не работал и до меня. В общем, снял разъем микрика, подключил актуатор передней водительской двери и начал проверять контролькой. Лампа не загорается ни в одном из трех контактов. Прикосновение с одним из контактов вызывает жужжание блока цз (такое, как будто нажимаешь на кнопку микрика. Но вот в чём интересность... Беру мультимер, режим постоянного тока. Контакт, который при соединении с контролькой вызывает жужжание, прозванивается как +. Соответственно два остальные минусы. Не могу понять почему так..
Много чего не понимаю пока-что, но многое хочу знать.
|
Андреи
Гуру-практик.
Группа: Модераторы
Сообщений: 3407
Статус: Оффлайн
Сообщение # 20
21:03
14.08.2016
В автомобилях в таких случаях т.е.для проверки на наличие потенциала ТЕСТЕР НЕ ИСПОЛЬЗУЮТ,а плюс там из блока,зачем под соединяли актуатор,он может влиять на работу блока Ц.З. проверяйте работу без микропереключателей,и вообще вы писали что подкидывали другой блок Ц.З.и ничего не работало,может у вас в резинке/муфте/гофре из кузова в дверь провода переломались? Тестер в ремонте автомобилей нужен для проверки напряжения зарядки,и тока утечки,в остальных случаях для ремонта проводки авто используется контролька с лампочкой.Тем более если это мультиметр бюджетной серии..
|
Андреи
Гуру-практик.
Группа: Модераторы
Сообщений: 3407
Статус: Оффлайн
Сообщение # 21
21:05
14.08.2016
Если вас интересует принципиальная радиосхема блока Ц.З. её ни у кого нет,вам важен ремонт а не радиодетали через которые проходит наводка по +су.
|
mafia2226
Рядовой
Группа: Пользователи
Сообщений: 15
Статус: Оффлайн
Сообщение # 22
21:06
14.08.2016
Спасибо большое! Не знал таких нюансов. То есть мне отключить все акутаторы и потом контролькой проверить разъем микрика?
Много чего не понимаю пока-что, но многое хочу знать.
|
Андреи
Гуру-практик.
Группа: Модераторы
Сообщений: 3407
Статус: Оффлайн
Сообщение # 23
21:21
14.08.2016
Отключить это да чтобы эти микрики не сказывались на работе блока,и проверить провода в гофре дверь/кузов.
|
aleksjud
Ушел,но обещал вернутся.
Группа: Друзья
Сообщений: 2051
Статус: Оффлайн
Сообщение # 24
22:28
14.08.2016
давно уже написал первым делом проверить микрик. и проверить провода из водительской двери в машину. ломаеться в гофре.Добавлено (14.08.2016, 22:28) --------------------------------------------- поробуй разобрать микрик и поглядеть на окись и ржавчину
я ушел. кому если буду нужен пишите на почту. адресс есть.
|
mafia2226
Рядовой
Группа: Пользователи
Сообщений: 15
Статус: Оффлайн
Сообщение # 25
12:22
15.08.2016
Цитата Андреи (  ) Давайте сначала в активатор входят красно/синий и красно белый провода?Блок Ц.З. вообще не щелкает при вращении ключа?Ну вообще черный у опелей это не минус,минус кориченвый,сигнальный массы коричнево/белый,цепь зажигания черно/желтый В активатор: коричнево-белый, черно-красный, черно-салатовый, коричневый, коричнево-красный. При нажатии пимпки водительской двери блок ЦЗ выдает только жужжание короткое. Такое же, как при нажатии на кнопку микрика. Я так понимаю, что проблема где-то в проводке с водительской двери. Поскольку при подаче +- на контакты прямо в фишку блока ЦЗ актуаторы срабатывают. Постоянный плюс и минус я тоже проверил. Сейчас буду отключать активаторы и тыкать контролькой в микрик.
Много чего не понимаю пока-что, но многое хочу знать.
|
mafia2226
Рядовой
Группа: Пользователи
Сообщений: 15
Статус: Оффлайн
Сообщение # 26
14:20
15.08.2016
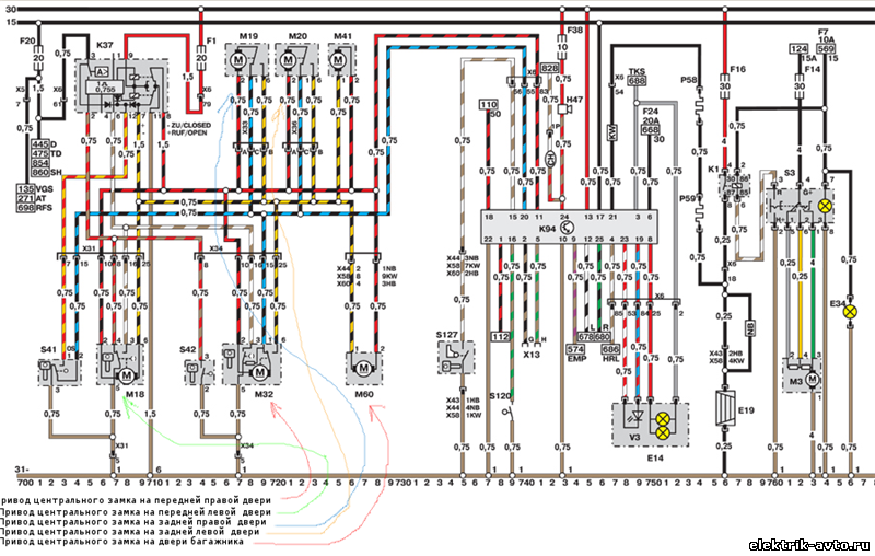
Вот схема моего ЦЗ. (я написал салатовый, но на схеме желтый. Так и есть)
Добавлено (15.08.2016, 12:47) --------------------------------------------- Изучил схему, насколько позволили знания. Получается в разъеме актуатора водительской двери коричнево0белый и коричнево-красный - это сигналы "закрыть" "открыть", которые подает "пимка" водительской двери. А если я попробую подать на один - на второй +? Получится, что я в обход актуатора даю команду блоку закрыть все двери. Если реакции не будет, значит проблема где-то в цепи по этим двум проводам. Я правильно мыслю?
Добавлено (15.08.2016, 14:20) --------------------------------------------- Отключил все актуаторы. Снял микрик, потыкал контролькой в разъем. Реакция всё та же. На одном из контактов касание контролькой сопровождается жужжанием блока цз. Лампочка при этом не загорается. Также потыкал контролькой в разъем актуатора водительской дверри. На двух контактах (коричнево-белом и черно-красном) блок отзывается всё тем же жужжанием. Лампочка не загорается.
Кстати, при нажатии на микрик пассажирской двери всё то же жужжание.
Сообщение отредактировал mafia2226 - Понедельник, 15.08.2016, 14:26
Много чего не понимаю пока-что, но многое хочу знать.
|
Андреи
Гуру-практик.
Группа: Модераторы
Сообщений: 3407
Статус: Оффлайн
Сообщение # 27
21:52
15.08.2016
Провода в вод. дверь те которые идут в гофре проверяли?Я бы еще массу на самом блоке Ц.З. проверил.Не нравится мне это ЖУ-ЖУжание из блока,это неспроста.
|
aleksjud
Ушел,но обещал вернутся.
Группа: Друзья
Сообщений: 2051
Статус: Оффлайн
Сообщение # 28
23:10
15.08.2016
провода проверил из двери в авто ?
я ушел. кому если буду нужен пишите на почту. адресс есть.
|
mafia2226
Рядовой
Группа: Пользователи
Сообщений: 15
Статус: Оффлайн
Сообщение # 29
00:22
16.08.2016
Провода хотел проверить. Но с ходу не сообразил, как оголить гофру. Разъем выдернул. Провода уходят под торпеду. Нужно разъем разобрать. Проблема в том, что срочно нужна машина. Пришлось собрать всё(( так и не понял, почему не работает ЦЗ. это огорчает. Проводку обязательно проверю. Всем спасибо за советы. Очень признателен.
Много чего не понимаю пока-что, но многое хочу знать.
|
Андреи
Гуру-практик.
Группа: Модераторы
Сообщений: 3407
Статус: Оффлайн
Сообщение # 30
02:45
16.08.2016
При чем здесьЦитата mafia2226 (  ) Провода уходят под торпеду при чем здесь что они уходят под торпеду,мы тут писали о том что в переходе дверь/кузов провода могут ломатся....
|