Меню
Новые сообщения · Участники · Правила форума · Поиск · RSS
  • Страница 1 из 3
  • 1
  • 2
  • 3
  • »
Модератор форума: grabovski, Андреи  
VW T5
afroelektrik
Лейтенант
Группа: Пользователи
Сообщений: 52
Репутация: 0
Статус: Оффлайн
 
Привет всем. Нужен совет. Сегодня дали машину на ремонт VW T5, не работала печка сделал, после аварии была нарушена масса. Разобрался. Но есть еще один нехороший глюк, с которым надо будет еще разобраться. При включении зажигания секунд через 10 начинает работать вентилятор радиатора. Схем нет. Нормальных программ нет, интернета там где ремонтирую машину нет. Так получилось, что я сейчас не дома, месяц надо поработать не у себя. Посоветуйте с чего начать, куда лезть, что я должен видеть, что не должен. Надеюсь на вашу помощь. Может успею сейчас что-то типо автодаты скачать.
Андреи
Гуру-практик.
Группа: Модераторы
Сообщений: 3407
Репутация: 59
Статус: Оффлайн
 
Скачивай автодату 3.45,правда чтобы установить необходимо немного с бубном потанцевать.
То что включается вентилятор радиатора говорит о неисправности штатной системы охлаждения,может датчик в обрыве,не видит ЭБУ температуру двигателя или показания датчиков,и включается аварийный режим.
Может не все массы проверил,или влага/полироль/тех.жидкость куда попала

afroelektrik
Лейтенант
Группа: Пользователи
Сообщений: 52
Репутация: 0
Статус: Оффлайн
 
Автодату или Эльзу скачать не смогу, у меня мак со мной, а все крякнутые программы для Windows. Покупать комп даже б.у. для разового дела как-то так...  Может если не сложно, кто нибудь, не сбросите сюда электросхему с вентилятором? VW Transporter 1.9 дизель года 2006. Там несколько вариантов будет по этому двигателю, как правило схемы на все из них одинаковые. Если не сложно...
Андреи
Гуру-практик.
Группа: Модераторы
Сообщений: 3407
Репутация: 59
Статус: Оффлайн
 
Сбросить схему смогу только завтра,дата у меня на работе,дома не ставил потому что ставлю постоянно разное г-но и приходится регулярно систему дома переставлять.
Поищи в сети,имей привычку индекс двигателя или вин переписывать,это бывает важно.

afroelektrik
Лейтенант
Группа: Пользователи
Сообщений: 52
Репутация: 0
Статус: Оффлайн
 
Завтра тоже можно. С утра доберусь до техпаспорта уточню данные. Комп с собой возьму. Сбросьте плиз.
Андреи
Гуру-практик.
Группа: Модераторы
Сообщений: 3407
Репутация: 59
Статус: Оффлайн
 
afroelektrik
Лейтенант
Группа: Пользователи
Сообщений: 52
Репутация: 0
Статус: Оффлайн
 
Спасибо. Пару схем нашел. Надеюсь справлюсь. Выручили.

Добавлено (16.03.2017, 23:38)
---------------------------------------------
Блин, Андрей, просьба в силе. Не та схема. Я от усталости не так прочитал. Там не датчик температуры охлаждающей жидкости был, а датчик температуры окружающей среды. Не нашел я схему где этот датчик бы находился. Если будет у вас завтра возможность, сбросьте схемку. Я накачал сейчас гору материала, но все не то.

Добавлено (17.03.2017, 11:05)
---------------------------------------------
Нужна электросхема схема. Выручайте плиззз. Схема на которой оба датчика дтож. Данные по машине не могу уточнить. Машина была в аварии, двигатель меняли, техпаспорт утерян, новый пока не получили.

Андреи
Гуру-практик.
Группа: Модераторы
Сообщений: 3407
Репутация: 59
Статус: Оффлайн
 
Нету схемы на которой оба датчика,схема приборной и схема кондиционирования/охлаждения двигателя идут отдельно.
Кондиционер и охлаждение взаимосвязаны,в случае поломки штатного охлаждения,срабатывает вент. кондишна.
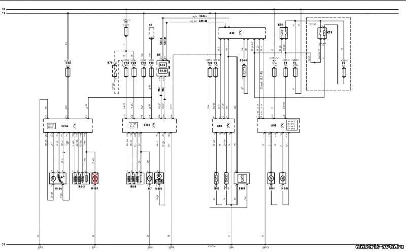
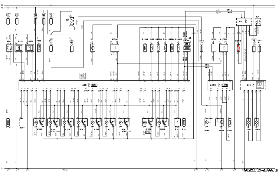
Вот схемы 1.9 обычный дизель,схемы с автоматической климой и ручной,отдельно плюс файл оригинала.Качество читабельное,смотри датчик и массы модуля вентиляторов справа.


Прикрепления: 6177856.png (65.8 Kb) · 3386143.png (96.4 Kb) · 9350296.rar (155.2 Kb)

afroelektrik
Лейтенант
Группа: Пользователи
Сообщений: 52
Репутация: 0
Статус: Оффлайн
 
Спасибо за схемы, Андрей. Жму руку.
Правда мне удалось достать тоже схему и она немного другая. На ней два датчика по схеме стоят рядом друг с другом B 24 I и B 24 II, на вашей схеме только один В 24 II, на машине два датчика температуры стоит. Оба датчика идут на контролер. Питание на датчики идет с контролера порядка 5 вольт.
Подобраться к ним та еще задача. Пока проверить датчики напрямую не смог. Только на датчике стоящем на радиаторе замерил входящий ток 5 вольт, на выходе тока не было вообще, или что-то на мультиметре стояло 2 вольта, показывало 0,017, но такой ток показывал мультиметр , когда касался пальцами щупов мультиметра тоже. 
Вопросы появились.
1. При входе 5 вольт, сколько примерно вольт на выходе при температуре +10 градусов датчик выдавать может на контролер?
2. Можно ли обмануть контролер замкнув два контакта вместо датчика резистором ( на время, посмотреть отключится ли вентилятор радиатора)?
3. Примерно на сколько резистор можно подобрать ? Какое примерно на всех датчиках среднее значение может есть (среднее сопротивление на средней температуре двигателя) ?
4. Где-то можно найти на Т5 таблицу для датчиков сопротивление - температура? По вашей предыдущей ссылке, Андрей не нашел ничего. ( завтра попробую Эльсу для скачать, может там будет)
Заранее спасибо за ответы!
Андреи
Гуру-практик.
Группа: Модераторы
Сообщений: 3407
Репутация: 59
Статус: Оффлайн
 
Начну с конца эльза всё покажет,еще я с ТИСа И пр ВИСов офигеваю,нужные вещи,но весят....
Для проверки цепей датчиков у меня сопротивление в 1/4 кОм,проволочное,и на всякий такой последовательно сопротиление низкоомное впаяно,иначе в случае втыка не туда сгорает оно а не сам сопротивлятор.
Можно проверять как датчики температуры так и прочее например ДУТ связь с приборкой.
Вернее в основном хватает и килоомного но у меня их два последовательно в одной коробочке,регулировка с 0 до 1000 или с 0 до 4000

afroelektrik
Лейтенант
Группа: Пользователи
Сообщений: 52
Репутация: 0
Статус: Оффлайн
 
Спасибо, попробую сейчас резисторы подкупить и к завтрашней встрече подготовиться. Может какой потенциометр найду на рынке.
Насчет программ, да. Эльса облегченный только вариант на 14 гибов на торренте нашел, а установишь может еще больше места попросить.
Андреи
Гуру-практик.
Группа: Модераторы
Сообщений: 3407
Репутация: 59
Статус: Оффлайн
 
Не забудь сопротивление,представь ситуёвину,ты вставил в клеммы где есть 12 вольт,перевёл на ноль потенциометр,и готово,кз как минимум или сгорает само переменное сопротивление,а так Ом 100/0.125W поставил и не боишься.

Хотя у меня по моему ом 10 стоит.

afroelektrik
Лейтенант
Группа: Пользователи
Сообщений: 52
Репутация: 0
Статус: Оффлайн
 
Значит лучше последовательно спаянные резисторы, чем потенциометр? Резистор припаянный сгорает в первую очередь? Правильно понял?
Андреи
Гуру-практик.
Группа: Модераторы
Сообщений: 3407
Репутация: 59
Статус: Оффлайн
 
Мне так проще,когда последовательно спаял можно в широких пределах регулировать,например ДУТ проверяется сначала килоОмным,а датчики температуры на мозг если не хватает первого уже начинаю крутить второй,если поставить только один например на  4 к ,трудно будет поймать положение например если нужно 300 Ом.Уже не помню тип сопротивлений с очень плавной регулировкой,они всем хороши,можно менять очень точно и плавно,сейчас поищу в поисковике.
afroelektrik
Лейтенант
Группа: Пользователи
Сообщений: 52
Репутация: 0
Статус: Оффлайн
 
На проверку ДТОЖ по сколько ом посоветуете паять резисторы каждый? И сколько стартовое сопротивление всего пробовать ставить? Риск мой, мне совет нужен, это я к тому, что если начудю никого не буду ни в чем упрекать. Мало ли. Вопросов глупых много, я в начале пути, так сказать. )))
  • Страница 1 из 3
  • 1
  • 2
  • 3
  • »
Поиск: